
CYLINDER HEAD
REMOVAL
(1) Disconnect the battery cable.
WARNING: DO NOT REMOVE THE CYLINDER
BLOCK DRAIN PLUGS OR LOOSEN THE RADIATOR
DRAIN COCK WITH THE SYSTEM HOT AND PRES-
SURIZED BECAUSE SERIOUS BURNS FROM THE
COOLANT CAN OCCUR.
(2) Drain the cooling system. Refer to Group 7,
Cooling.
(3) Remove wiper module. Refer to Group 8K,
Windshield Wiper Unit Removal for procedure.
(4) Remove coolant pressure bottle.
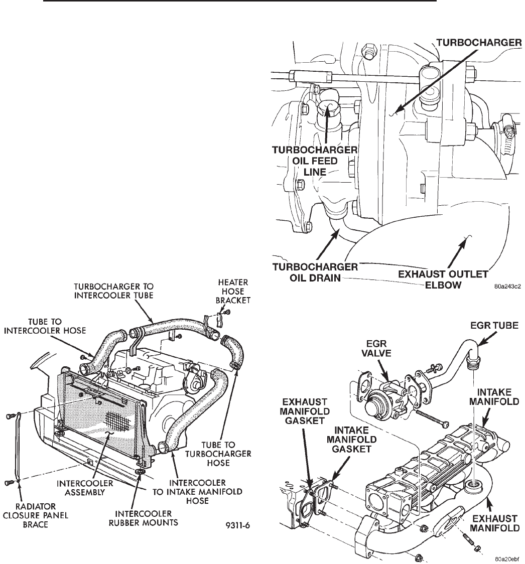
(5) Remove intercooler hose at intake manifold
(Fig. 24).
(6) Remove intercooler hose at turbocharger inter-
cooler tube.
(7) Remove the upper radiator hose.
(8) Remove water manifold.
(9) Disconnect the heater hoses and coolant pres-
sure bottle hoses.
(10) Disconnect EGR tube from EGR valve (Fig.
26).
(11) Remove exhaust pipe from turbocharger elbow
and.
(12) Disconnect oil feed line from turbo (Fig. 25).
(13) Disconnect oil drain line from turbo.
(14) Remove Intake manifold. Refer to Group 11,
Exhaust System and Intake Manifold.
(15) Remove lift eye and brake vacuum tube at
rear of exhaust manifold.
(16) Remove the support strut from block to turbo-
charger exhaust elbow.
(17) Remove Exhaust manifold. Refer to Group 11,
Exhaust System and Intake Manifold.
(18) Remove oil line at pressure switch.
(19) Remove oil feed line for rocker arm assemblies
(Fig. 27).
Fig. 24 Intercooler Assembly
Fig. 25 Turbocharger
Fig. 26 EGR Valve and Tube
NS/GS ENGINE 9 - 49
REMOVAL AND INSTALLATION (Continued)
Komentáře k této Příručce